Skip to content

The Pebble Collection

Steve Sorrell's Mineral Collection

  • About
  • Mineral Index
  • Location Index
  • Pages
  • Mineral Maps
  • Elements
  • Random Post
  • Admin

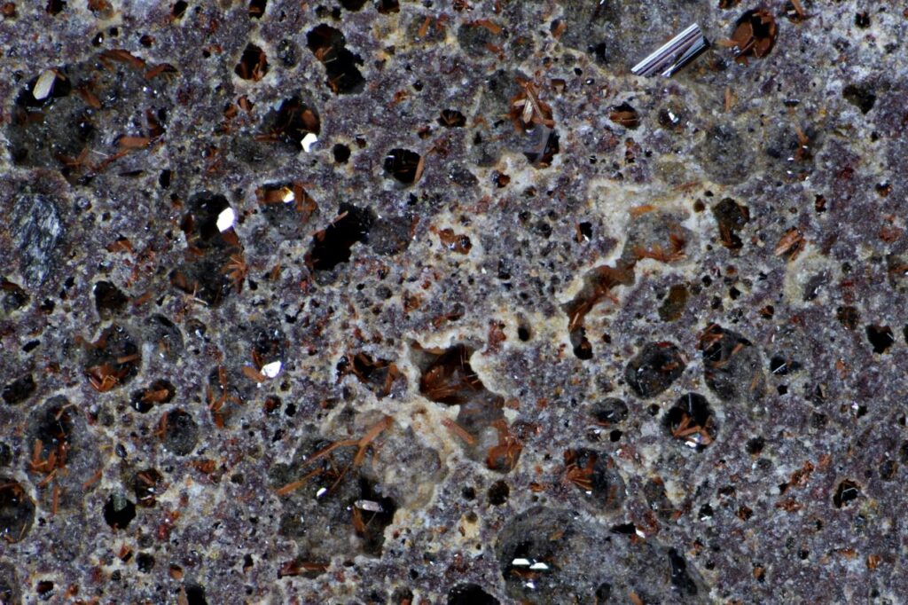
ncat JP3371 Enstatite, Hematite, Pseudobrookite, Middle Hill, Mount Anakie, Anakie, City of Greater Geelong, Victoria

January 7, 2023 Pendleton Australasia Australia Victoria

Brown crystals of enstatite with minor pseudobrookite and hematite. Ex Jo Price Collection. Width of view 5.75mm. Stack of 68 images.

Click on the image below for a higher resolution version.

Tags: EnstatiteHematitePseudobrookite

  • Next ncat JP3418 Pseudobrookite, Enstatite, Middle Hill, Mount Anakie, Anakie, City of Greater Geelong, Victoria
  • Previous ncat SA9 1424 Emplectite, Kaolinite, Sphalerite, Quartz, Mount Gunson, Pernatty Lagoon, South Australia
Australasia Australia New South Wales

ncat VHD4, Quartz, Broken Hill, New South Wales

  • November 17, 2019
Bridgend United Kingdom Wales

7329 JL3020 Millerite, Park Slip West (Margam Opencast), Cefn Cribwr, Bridgend, Wales, UK

  • December 25, 2020
Australasia Australia Tasmania

3733 Calcite, Kara Mine, Hampshire, Tasmania

  • October 3, 2019
Asia Japan

5490 Levyne, Analcime, Thomsonite-Ca, Kuniga, Nishinoshima, Oki Islands, Okinoshima, Oki District, Shimane Prefecture, Japan

  • July 22, 2024

Species

Albite (82) Amethyst (59) Analcime (124) Anatase (102) Anglesite (73) Aragonite (72) Azurite (168) Barite (198) Brochantite (67) Calcite (578) Cassiterite (96) Cerussite (183) Chabazite (193) Chalcopyrite (81) Chrysocolla (69) Copper (95) Crocoite (100) Cuprite (98) Dolomite (111) Fluorapatite (74) Fluorite (274) Galena (79) Goethite (123) Gold (245) Gypsum (80) Hematite (148) Hemimorphite (68) Libethenite (95) Magnetite (62) Malachite (233) Mimetite (169) Natrolite (132) Phillipsite (141) Pyrite (249) Pyromorphite (207) Quartz (681) Siderite (130) Silver (66) Smithsonite (101) Smoky Quartz (74) Sphalerite (119) Thomsonite (78) Topaz (58) Unidentified Species (74) Wulfenite (158)

Localities

Archives

The Pebble Collection © 2025. All Rights Reserved.

Scroll Up